Home › Unlabelled ›
2005 Chevy Malibu Fuse Box - Diagram Chevy Malibu Fuse Lid Diagram Full Version Hd Quality Lid Diagram Wyomingwiring Argiso It - Fuse box diagram (location and assignment of electrical fuses and relays) for chevrolet (chevy) malibu (2008, 2009, 2010, 2011, 2012).
2005 Chevy Malibu Fuse Box - Diagram Chevy Malibu Fuse Lid Diagram Full Version Hd Quality Lid Diagram Wyomingwiring Argiso It - Fuse box diagram (location and assignment of electrical fuses and relays) for chevrolet (chevy) malibu (2008, 2009, 2010, 2011, 2012).. 2005 chevy malibu ls, v6 3600. Car fuse box diagram, fuse panel map and layout. The video above shows how to replace blown fuses in the interior fuse box of your 2005 chevrolet malibu in addition to the fuse panel diagram location. Some basic fuses are in the right side dash with the plastic hatch visible while. Location of chevy malibu fuse boxes and obd2 computer scan port 2013 to present.
Some basic fuses are in the right side dash with the plastic hatch visible while. The most stylish along with gorgeous 2002 chevy malibu fuse box location for motivate your house provide residence comfy dream house. Car fuse box diagram, fuse panel map and layout. On the chevy malibu classic 2004 there is no fuse box in the trunk. 12v auto waterproof fuse relay box block 6 bosch style relay holder 6 atc/ato fuse holder universal relay block box for 12v automotive vehicles cars marine boat light equipment.
2004 Chevy Malibu Fuse Box Diagram Wiring Diagram Wave Storage A Wave Storage A Atlanticsport It from www.justanswer.com Fuses boxes stereo fuse, malibu 2004 classic 2.2. Generator, blower motor, horn, daytime running lamps, rear defogger, heater, ignition control, ignition switch, brake control module, a/c compressor clutch, body control module, air pump, automatic transaxle, auxiliary. Location of chevy malibu fuse boxes and obd2 computer scan port 2013 to present. Here goes its a 2005 chevrolet malibu lt, 3.5l engine automatic trans power doors, windows, seats, onboard computer that does as much as my phone does having the wheel ripped away sounds like mechanical failure in the gear box. At carid we offer different electrical components at reasonable prices. The reduced engine light came on after i pushed in the fuses under the hood trying to check my fuses for my cigarette lighter now that works (cig lighter) but my car shakes really bad and won't go over 25 miles per hour. 1 a/c clu fuse 10a a/c clutch relay 2 etc fuse 15a engine control module (ecm) 3 ecm ign 10a engine control module (lz4 or lze) bas ign fuse 10a generator battery disconnect. The video above shows how to replace blown fuses in the interior fuse box of your 2005 chevrolet malibu in addition to the fuse panel diagram location.
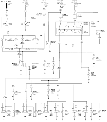
Here you will find fuse box diagrams of chevrolet malibu 2004, 2005, 2006 and 2007, get information about the location of the fuse panels inside the car, and learn.
At carid we offer different electrical components at reasonable prices. Generator, blower motor, horn, daytime running lamps, rear defogger, heater, ignition control, ignition switch, brake control module, a/c compressor clutch, body control module, air pump, automatic transaxle, auxiliary. The wire lost connection from heat under hood my 2005 chevy malibu classic keeps having a starting issue and noone can figure it out! 2005 chevy malibu ls, v6 3600. Which fuse is the blower motor fuse on a 2006 chevy express cargo van 2500 and where is it located in the fuse block?… read more. Fuse panel layout diagram parts: 2010 chevrolet malibu underhood fuse box diagram. Location of chevy malibu fuse boxes and obd2 computer scan port 2013 to present. Fuse box diagram (location and assignment of electrical fuses and relays) for chevrolet (chevy) malibu (2008, 2009, 2010, 2011, 2012). Here goes its a 2005 chevrolet malibu lt, 3.5l engine automatic trans power doors, windows, seats, onboard computer that does as much as my phone does having the wheel ripped away sounds like mechanical failure in the gear box. There is no fuse box or fuse for the headlights. Ever since, there is a. I have a 2005 malibu.
The video above shows how to replace blown fuses in the interior fuse box of your 2005 chevrolet malibu in addition to the fuse panel diagram location. If your chevy malibu headlights or something else out of electrical system doesn't work, check the fusebox and if it is needed, make a replacement. 12v auto waterproof fuse relay box block 6 bosch style relay holder 6 atc/ato fuse holder universal relay block box for 12v automotive vehicles cars marine boat light equipment. Here goes its a 2005 chevrolet malibu lt, 3.5l engine automatic trans power doors, windows, seats, onboard computer that does as much as my phone does having the wheel ripped away sounds like mechanical failure in the gear box. At carid we offer different electrical components at reasonable prices.
Diagram Vw Touran Wiring Diagram Full Version Hd Quality Wiring Diagram Extremewiring Lafabbricadegliingegneri It from www.untpikapps.com Find great deals on ebay for 2005 chevy malibu air bags. Here you will find fuse box diagrams of chevrolet malibu 2004, 2005, 2006 and 2007, get information about the location of the fuse panels inside the car, and learn. Car fuse box diagram, fuse panel map and layout. There are two fuse box locations in your malibu one under the hood by the battery and the other is on the passenger side center console under a cover. At carid we offer different electrical components at reasonable prices. 23.03.2015 · 2005 chevrolet malibu ls fuse box diagram 2005 chevrolet malibu ls fuse box map fuse panel layout diagram parts: Fuse box diagram (location and assignment of electrical fuses and relays) for chevrolet (chevy) malibu (2004, 2005, 2006, 2007). Today is the first free printable friday!
How to unhook a alarm stytem in my 2005 chevy malibu if it keeps killing my battery the alarm module is uderthehood in a black square box pull the fuse look atdiagram on fuse box carefully.
Which fuse is the blower motor fuse on a 2006 chevy express cargo van 2500 and where is it located in the fuse block?… read more. One in the middle on the passenger side where the foot rest. On the chevy malibu classic 2004 there is no fuse box in the trunk. I found the box located in the hood and next to the drivers door, but which one is the one for the stereo? Here you will find fuse box diagrams of chevrolet malibu 2004, 2005, 2006 and 2007, get information about the location of the fuse panels inside the car, and learn. Ever since, there is a. 2005 chevy malibu ls, v6 3600. Back up, trunk, fuel, cargo, rear defogger, heated mirror, fuel, door key, back up lamp,cigar lighter, trunk, emission, park lamps, sunroof, auxiliary power. I need to change a fuse for my car it a malibu 2005 can you tell me where the fuse box is i lostmy book too my car… read more. P.s is there any way you could replace a relay switch in the relay console to solve these problems like replace a fuse in the fuse box? Today is the first free printable friday! Fuse box diagram (location and assignment of electrical fuses and relays) for chevrolet (chevy) malibu (2008, 2009, 2010, 2011, 2012). .fuse box on a 2005 malibu you will have 2 fuse boxes in this vechile.
On the chevy malibu classic 2004 there is no fuse box in the trunk. Some basic fuses are in the right side dash with the plastic hatch visible while. Car fuse box diagram, fuse panel map and layout. 23.03.2015 · 2005 chevrolet malibu ls fuse box diagram 2005 chevrolet malibu ls fuse box map fuse panel layout diagram parts: One in the middle on the passenger side where the foot rest.
Chevrolet Malibu 2003 Fuse Box Diagram Auto Genius from www.autogenius.info Ever since, there is a. Back up, trunk, fuel, cargo, rear defogger, heated mirror, fuel, door key, back up lamp,cigar lighter, trunk, emission, park lamps, sunroof, auxiliary power. Find great deals on ebay for 2005 chevy malibu air bags. 2009 chevy malibu keyless entry fuse, power window & power lock fuses 2009 chevy malibu headlight fuses & relays, circuit explained 2011 chevy malibu traction problems 2011 chevy malibu electrical problem fuse box location and diagrams: At carid we offer different electrical components at reasonable prices. If your chevy malibu headlights or something else out of electrical system doesn't work, check the fusebox and if it is needed, make a replacement. Car fuse box diagram, fuse panel map and layout. It wants to start, but doesn't turn over.
.fuse box on a 2005 malibu you will have 2 fuse boxes in this vechile.
There are two fuse box locations in your malibu one under the hood by the battery and the other is on the passenger side center. Location of chevy malibu fuse boxes and obd2 computer scan port 2013 to present. It wants to start, but doesn't turn over. One in the middle on the passenger side where the foot rest. Fuse panel layout diagram parts: If your chevy malibu headlights or something else out of electrical system doesn't work, check the fusebox and if it is needed, make a replacement. There is a self resetting circuit breaker that is sometimes part of the light switch or mounted close to ive notice that most malibu's headlights seem to be bright, but it may just be that you need to re aim them its pretty easy, on the back of the light. 1 a/c clu fuse 10a a/c clutch relay 2 etc fuse 15a engine control module (ecm) 3 ecm ign 10a engine control module (lz4 or lze) bas ign fuse 10a generator battery disconnect. You have two fuse boxes. 2010 malibu underhood fuse box (except lat). I found the box located in the hood and next to the drivers door, but which one is the one for the stereo? Today is the first free printable friday! At carid we offer different electrical components at reasonable prices.